Product Summary
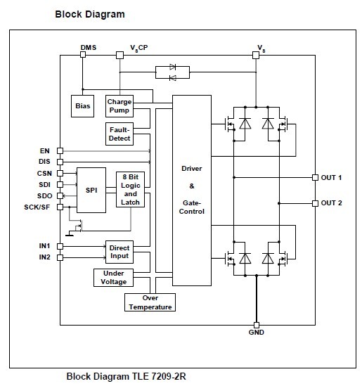
The TLE 7209-2R is an intelligent full H-Bridge, designed for the control of DC and stepper motors in safety critical applications and under extreme environmental conditions. The H-Bridge is protected against over-temperature and short circuits and has an under voltage lockout for all the supply voltages VS (main DC power supply). All malfunctions cause the output stages to go tristate. The device is configurable by the DMS pin. When grounded, the device gives diagnostic information via a simple error flag. When supplied with VCC = 5 V, the device works in SPI mode. In this mode, detailed failure diagnosis is available via the serial interface.
Parametrics
Absolute maximum ratings:(1)Junction temperature, Tj: -40 +150℃; (2)Junction temperature, Tj: the max is +175℃(dynamic: t < 1 s) ; (3)Storage temperature, Ts: -55 +125℃; (4)Ambient temperature, Ta: -40 +125℃; (5)Supply voltage, VS: -1 to 40V (static destruction proof) ; (6)Supply voltage, VS: -2 to 40V (dynamic destruction proof, t < 0.5 s) (single pulse, Tj < 85 ℃) ; (7)Voltage at logic inputs, IN1, IN2, DIS, EN, SDI, SCK/SF, V: -0.5 to 18V (In status-flag-mode, SF pull-up R ≥ 10 k?); (8)Voltage at logic input, CSN, V: -0.5 to 40V; (9)Voltage at logic input DMS and logic output SDO, V: -0.5 to 13V; (10)Voltage at VsCP, VCP: VS-0.5 to VS+0.5V; (11)ESD voltage human body model (MIL STD 883D / ANSI EOS\ESD S5.1), VESD: 4kV all pins; (12)VESD OUT: 8kV only pins 6, 7, 14 and 15(outputs).
Features
Features: (1)Operating supply voltage 5 V to 28 V; (2)Typical RDSon = 150mfor each output transistor (at 25 ℃); (3)Continuous DC load current 3.5 A (TC < 100 ℃); (4)Output current limitation at typ. 6.6 A ± 1.1 A; (5)Short circuit shut-down for output currents over 8 A; (6)Logic- inputs TTL/CMOS-compatible; (7)Output switching frequency up to 30 kHz; (8)Rise and fall times optimized for 0.5-2 kHz; (9)Over-temperature protection; (10)Short circuit protection; (11)Undervoltage disable function; (12)Diagnostic by SPI or Status-Flag (configurable); (13)Enable and Disable input; (14)P-DSO-20-12 power package.
Diagrams

| Image | Part No | Mfg | Description | ![]() |
Pricing (USD) |
Quantity | ||||||||||||
|---|---|---|---|---|---|---|---|---|---|---|---|---|---|---|---|---|---|---|
![]() |
![]() TLE7209-2R |
![]() Infineon Technologies |
![]() Motor / Motion / Ignition Controllers & Drivers 7A H-Bridge 150mA DC-MOTORAPPS |
![]() Data Sheet |
![]() Negotiable |
|
||||||||||||
| Image | Part No | Mfg | Description | ![]() |
Pricing (USD) |
Quantity | ||||||||||||
![]() |
![]() TLE7181EM |
![]() Infineon Technologies |
![]() Motor / Motion / Ignition Controllers & Drivers |
![]() Data Sheet |
![]()
|
|
||||||||||||
![]() |
![]() TLE7181EMXT |
![]() Infineon Technologies |
![]() Motor / Motion / Ignition Controllers & Drivers |
![]() Data Sheet |
![]() Negotiable |
|
||||||||||||
![]() |
![]() TLE7182EM |
![]() Infineon Technologies |
![]() Motor / Motion / Ignition Controllers & Drivers |
![]() Data Sheet |
![]()
|
|
||||||||||||
![]() |
![]() TLE7182EMXT |
![]() Infineon Technologies |
![]() Motor / Motion / Ignition Controllers & Drivers |
![]() Data Sheet |
![]() Negotiable |
|
||||||||||||
![]() |
![]() TLE7183F |
![]() Infineon Technologies |
![]() Motor / Motion / Ignition Controllers & Drivers 3 PHASE BRIDGE DRIVER IC |
![]() Data Sheet |
![]()
|
|
||||||||||||
![]() |
![]() TLE7184F |
![]() Infineon Technologies |
![]() Motor / Motion / Ignition Controllers & Drivers GATE DRIVER ICS FOR EXTERNAL MOSFETS |
![]() Data Sheet |
![]()
|
|
||||||||||||
(China (Mainland))









