Product Summary
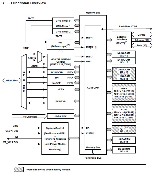
The TMS320F2812GHHS digital signal processor is designed as one kind of highly integrated, high-performance solutions for demanding control applications.The functional blocks and the memory maps are described in subsequent paragraphs. Also it contains an additional 16K x 16 of single-access RAM, divided into 3 blocks (4K + 4K + 8K). Each block can be independently accessed hence minimizing pipeline stalls. Each block is mapped to both program and data space.
Parametrics
Absolute maximum ratings: (1)Supply voltage range (VDDIO, VDD3VFL, VDDA1, VDDA2, VDDAIO, and AVDDREFBG): –0.3 V to 4.6 V; (2)Supply voltage range (VDD, VDD1): –0.5 V to 2.5 V; (3)Input voltage range, VIN: –0.3 V to 4.6 V; (4)Output voltage range, VO: –0.3 V to 4.6 V; (5)Input clamp current, IIK (VIN < 0 or VIN > VDDIO): ±20 mA; (6)Output clamp current, IOK (VO < 0 or VO > VDDIO): ±20 mA; (7)Operating ambient temperature ranges, TA: A version (GHH, ZHH, PGF, PBK): –40℃ to 85℃; S version (GHH, ZHH, PGF, PBK): –40℃ to 125℃; (8)Junction temperature range, TJ: –40℃ to 150℃; (9)Storage temperature range, Tstg: –65℃ to 150℃.
Features
Features:(1)High-Performance Static CMOS Technology; (2)JTAG Boundary Scan SupporT; (3)High-Performance 32-Bit CPU; (4)Three External Interrupts; (5)Peripheral Interrupt Expansion (PIE) Block That Supports 45 Peripheral Interrupts; (6)12-Bit ADC, 16 Channels; (7)Up to 56 General-Purpose I/O (GPIO) Pins; (8)Advanced Emulation Features: Analysis and Breakpoint Functions; Real-Time Debug via Hardware; (9)Low-Power Modes and Power Savings: IDLE, STANDBY, HALT Modes Supported; Disable Individual Peripheral Clocks.
Diagrams

| Image | Part No | Mfg | Description | ![]() |
Pricing (USD) |
Quantity | ||||||||||
|---|---|---|---|---|---|---|---|---|---|---|---|---|---|---|---|---|
![]() |
![]() TMS320F2812GHHS |
![]() Texas Instruments |
![]() Digital Signal Processors & Controllers (DSP, DSC) 32-Bit Digital Sig Controller w/Flash |
![]() Data Sheet |
![]()
|
|
||||||||||
| Image | Part No | Mfg | Description | ![]() |
Pricing (USD) |
Quantity | ||||||||||
![]() |
![]() TMS3112 |
![]() Other |
![]() |
![]() Data Sheet |
![]() Negotiable |
|
||||||||||
![]() |
![]() TMS3121 |
![]() Other |
![]() |
![]() Data Sheet |
![]() Negotiable |
|
||||||||||
![]() |
![]() TMS320 |
![]() Other |
![]() |
![]() Data Sheet |
![]() Negotiable |
|
||||||||||
![]() |
![]() TMS32010 |
![]() Other |
![]() |
![]() Data Sheet |
![]() Negotiable |
|
||||||||||
![]() |
![]() TMS320AV7110 |
![]() Other |
![]() |
![]() Data Sheet |
![]() Negotiable |
|
||||||||||
![]() |
![]() TMS320BC51PQ100 |
![]() Texas Instruments |
![]() Digital Signal Processors & Controllers (DSP, DSC) TMS320C51PQ - 132QFP - 100MHZ/BOOT CODE |
![]() Data Sheet |
![]() Negotiable |
|
||||||||||
(China (Mainland))








