Product Summary
The MPC7410HX500LE is a PowerPC reduced instruction set computing (RISC) microprocessor. The device is the second implementation of the fourth generation (G4) microprocessors from Freescale. The MPC7410HX500LE implements the full PowerPC 32-bit architecture and is targeted at both computing and embedded systems applications.
Parametrics
Absolute maximum ratings: (1)Core supply voltage, VDD: –0.3 to 2.1 V 4; (2)PLL supply voltage, AVDD: –0.3 to 2.1 V 4; (3)L2 DLL supply voltage, L2AVDD: –0.3 to 2.1 V 4; (4)Processor bus supply voltage, OVDD: –0.3 to 3.6 V 3, 6; (5)L2 bus supply voltage, L2OVDD: –0.3 to 2.8 V 3; (6)Input voltage: Processor bus, Vin: –0.3 to OVDD + 0.2 V; L2 bus, Vin: –0.3 to L2OVDD + 0.2 V; JTAG signals, Vin: –0.3 to OVDD + 0.2 V; (7)Storage temperature range, Tstg: –55 to 150 ℃.
Features
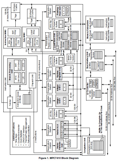
Features: (1)Four instructions fetched per clock; (2)One branch processed per cycle (plus resolving two speculations); (3)Up to one speculative stream in execution, one additional speculative stream in fetch; (4)512-entry branch history table (BHT) for dynamic prediction; (5)64-entry, four-way set-associative branch target instruction cache (BTIC) for eliminating branch delay slots; (6)Full hardware detection of dependencies (resolved in the execution units); (7)Dispatch two instructions to eight independent units (system, branch, load/store, fixed-point unit 1, fixed-point unit 2, floating-point, AltiVec permute, AltiVec ALU); (8)Serialization control (predispatch, postdispatch, execution serialization).
Diagrams

| Image | Part No | Mfg | Description | ![]() |
Pricing (USD) |
Quantity | ||||||||
|---|---|---|---|---|---|---|---|---|---|---|---|---|---|---|
![]() |
![]() MPC7410HX500LE |
![]() Freescale Semiconductor |
![]() Microprocessors (MPU) NT HITCE RV1.4 1.8V 105C |
![]() Data Sheet |
![]()
|
|
||||||||
| Image | Part No | Mfg | Description | ![]() |
Pricing (USD) |
Quantity | ||||||||
![]() |
![]() MPC7400 |
![]() Other |
![]() |
![]() Data Sheet |
![]() Negotiable |
|
||||||||
![]() |
![]() MPC740ARX233LH |
![]() Freescale Semiconductor |
![]() IC MPU POWERPC 233MHZ 255-CBGA |
![]() Data Sheet |
![]() Negotiable |
|
||||||||
![]() |
![]() MPC740ARX266LH |
![]() Freescale Semiconductor |
![]() IC MPU POWERPC 266MHZ 255-CBGA |
![]() Data Sheet |
![]() Negotiable |
|
||||||||
![]() |
![]() MPC7410 |
![]() Other |
![]() |
![]() Data Sheet |
![]() Negotiable |
|
||||||||
![]() |
![]() MPC7410HX400LE |
![]() Freescale Semiconductor |
![]() Microprocessors (MPU) NT HITCE RV1.4 1.8V 105C |
![]() Data Sheet |
![]()
|
|
||||||||
![]() |
![]() MPC7410HX450LE |
![]() Freescale Semiconductor |
![]() Microprocessors (MPU) NT HITCE RV1.4 1.8V 105C |
![]() Data Sheet |
![]()
|
|
||||||||
(China (Mainland))









